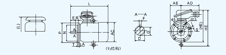
| Model |
Installation and external
size |
Manufacturing range |
| D |
E |
F |
G |
T |
M |
N |
P |
R |
S |
AD |
AE |
AC |
LA |
HE |
L |
| Pole
number |
Pole
number |
| 2 |
4,6,8,10 |
2 |
4,6,8,10 |
2 |
4,6,8,10 |
2 |
4,6,8,10 |
2 |
4,6,8 |
10 |
| 80 |
19 |
40 |
6 |
15.5 |
3.5 |
165 |
130 |
200 |
0 |
4¡Á§¶12 |
225 |
105 |
160 |
12 |
340 |
330 |
375 |
|
V1 |
B5 |
V3 |
| 90S |
24 |
50 |
8 |
20 |
3.5 |
165 |
130 |
200 |
0 |
4¡Á§¶12 |
225 |
105 |
180 |
12 |
355 |
360 |
405 |
| 90L |
380 |
430 |
| 100L |
28 |
60 |
8 |
24 |
4 |
215 |
180 |
250 |
0 |
4¡Á§¶15 |
225 |
130 |
200 |
14 |
395 |
430 |
480 |
| 112M |
28 |
60 |
8 |
24 |
4 |
215 |
180 |
250 |
0 |
4¡Á§¶15 |
225 |
130 |
225 |
14 |
400 |
460 |
520 |
| 132S |
38 |
80 |
10 |
33 |
4 |
265 |
230 |
300 |
0 |
4¡Á§¶15 |
240 |
155 |
265 |
14 |
470 |
510 |
585 |
| 132M |
550 |
625 |
| 160M |
42 |
110 |
12 |
37 |
5 |
300 |
250 |
350 |
0 |
4¡Á§¶19 |
240 |
180 |
320 |
16 |
530 |
655 |
730 |
| 160L |
695 |
770 |
| 180M |
48 |
110 |
14 |
42.5 |
5 |
300 |
250 |
350 |
0 |
4¡Á§¶19 |
240 |
180 |
360 |
18 |
565
(645) |
730 |
800 |
|
| 180L |
750 |
820 |
| 200L |
55 |
110 |
16 |
49 |
5 |
350 |
300 |
400 |
0 |
4¡Á§¶19 |
290 |
205 |
400 |
18 |
625
(750) |
805 |
875 |
| 225S |
55 |
60 |
110 |
140 |
16 |
18 |
49 |
53 |
5 |
400 |
350 |
450 |
0 |
8¡Á§¶19 |
290 |
225 |
450 |
20 |
670
(750) |
|
845
(915) |
| 225M |
840
(910) |
870
(940) |
| 250M |
60 |
65 |
140 |
18 |
53 |
58 |
5 |
500 |
450 |
550 |
0 |
8¡Á§¶18 |
330 |
280 |
500 |
22 |
(880) |
935 |
1025 |
|
| 280S |
65 |
75 |
140 |
18 |
20 |
58 |
67.5 |
5 |
500 |
450 |
550 |
0 |
8¡Á§¶19 |
330 |
280 |
560 |
22 |
(910) |
1010 |
1100 |
| 280M |
1060 |
1150 |
| 315S |
65 |
80 |
140 |
170 |
18 |
22 |
58 |
71 |
6 |
600 |
550 |
660 |
0 |
8¡Á§¶24 |
340 |
330 |
630 |
25 |
(720) |
1240 |
1270 |
1270 |
| 315M |
1320 |
1350 |
1350 |
| 315L |
1410 |
1440 |
1440 |
| 355S |
75 |
95 |
140 |
170 |
20 |
25 |
67.5 |
86 |
6 |
740 |
680 |
800 |
0 |
8¡Á§¶24 |
340 |
400 |
750 |
30 |
1125 |
1500 |
1570 |
1520 |
| 355M |
1610 |
1680 |
1630 |
| 355L |
1700 |
1770 |
1720 |
|